如何用活電氣設備備品備件
中國石油天然氣股份有限公司大慶油田
本文原創及成果創造人:戚立民 李清淑 武海玉 任偉東 李斌 房程 陳超 周蕾
摘要:通過充分的用活備品備件,解決備品備件備而不用,備用狀態不受控的問題;通過利用備品備件和報廢設備來解決員工進行技術攻關和技能提升缺少實踐設備等問題。
主題詞:電氣設備 備品備件 故障模擬 技能提升 技術攻關
一、立項依據與指導思想
1.1 立項依據
1.1.1 由于發電廠電氣設備的特殊性,從220kv高壓設備到380v低壓設備以及110v和220v直流設備都需要有許多備品備件,但是存在備品備件,尤其是應急備品放在庫里,大多時間是備而不用,雖然定期檢查,由于檢查人員的責任心和保存環境等因素,使用時未必完好的問題。
1.1.2 電氣檢修是一個涵蓋面非常廣泛的工種,它又引申出了電機檢修、變電檢修、電氣運行、維護電工、線路檢修、繼電保護檢修等很多細化的工種,從事電工技術工作的人員,沒有一個人在工作中能接觸到所有電工技術。在這些工種的培訓過程中,沒有一個培訓機構能全面而又系統的進行實際操作培訓。
1.1.3 以往實際技能訓練方式是“課堂設在現場”,就是利用檢修期,邊檢修邊進行技能訓練。但是由于受停電時間短、檢修任務重等因素影響,現場實訓的效果不理想。
1.1.4 電氣檢修專業進行技術攻關解決生產難題,由于受運行方式的影響,很難在設備上反復進行故障試驗,制約了公關活動的開展。
1.1.5 2010年11月,電力集團油田熱電廠電氣分廠“武海玉班”被大慶油田公司工會授予“武海玉勞模創新工作室”, 油田熱電廠將提供3間近200平方米活動場所,大慶油田公司工會將提供一定的活動經費,但是由于電廠是技術密集型企業、專業間跨度大、技術通用性差,存在著創新成果推廣率較低的實際問題,嚴重影響勞模創新工作室的生命力。
1.2 指導思想
為了更好地發揮勞模創新工作室的輻射引領作用,秉持“技能是創新的基礎、氛圍是創新的保證”的建設理念,轉變思路,創新方式,充分發揮電氣設備備品備件作用,以“實用、實訓”為原則,把傳統的“課堂設在現場”的培訓模式轉變為“現場搬回課堂”。 按員工和生產實際需求設計方案,員工動手布置安裝,涵蓋電氣檢修的關鍵技術和關鍵技能,把武海玉勞模工作室建設成為以技能提升為主,兼顧創新功能的實訓課堂,讓員工“在實訓中創新,在創新中提升”,培養成為知識型、技能型、創新型員工。
二、解決方案
2.1 具備技能提升功能
在原有武海玉勞模創新工作室的基礎上,以點帶面,將電機檢修一個專業拓展為電氣檢修7個專業,共分六個功能區,分別為綜合控保實訓區、典型回路實訓區、電機檢修實訓區、高壓試驗實訓區、基本技能實訓區和理論培訓區。建設成為電氣檢修專業一個全天候的實際技能訓練場所。
2.2 具備技術攻關功能
把電氣分廠每年年底7個專業總結梳理的下一年度攻關項目,由勞模工作室統一進行管理,讓工作室成為技術創新攻關的平臺。
三、具體做法
3.1 獨立自主設計方案
由武海玉牽頭成立了由各專業技術經驗豐富的人員組成了12人的籌建小組,廣泛征求員工意見和建議共計103條,在不影響日常工作的情況下,利用現有資源,按員工需求設計方案,僅用24天時間就完成了布局設計、元器件選型、接線圖繪制等工作。
3.2 員工動手進行安裝調試
在建設中,他們力求設備元件和接線方式的多樣化,充分用活備品備件,最大限度地把電氣系統搬進課堂。工作室共用了電機、變壓器、繼電器、接觸器、儀表等17類共323個一二次電氣設備和元器件,配線共2166條,5300余延長米,接線端子2889個;建設中對遇到的問題,他們積極組織攻關,先后制作各類零部件98個,自行對PLC(可編程控制器)進行電腦編程設計完全模擬現場實際,實現設備的遠方操作功能,在工作室共應用了12項員工創新成果。在整個安裝調試過程中共有46名員工直接動手參與,占全體員工的一半,實現了把建設的過程當作練兵的過程和創新的過程。

3.3 各功能區的特點及創新點
3.3.1 綜合控保實訓區
3.3.1.1 具備設施:
有三臺6kV高壓開關(6kV中置式真空斷路器、6kV高壓FC斷路器),五臺380V低壓開關(DWX15C斷路器、3WN6斷路器、CW-1600斷路器、MW45-200智能型斷路器、MCC抽屜開關),2臺電動閥門執行器(智能型電動閥門執行器和開關型電動閥門執行器),電動機綜合保護裝置,電腦電視一體機等高低壓開關設備。
3.3.1.2 具備功能:
根據300MW發電機組一次設備的控制方式,搭建了微機保護和高低壓開關檢修實訓平臺,可進行保護裝置校驗調試、回路傳動和開關參數測量調整,模擬事故跳閘、拒動、誤動,旨在提升員工對新設備、新技術、新系統的檢修技能。
3.3.1.3 創新點:
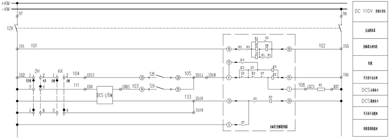
a)綜合控保實訓操作臺,布置了6kV高壓HVX型真空斷路器、VCF型真空接觸器-熔斷器組合電器和380v MCC抽屜開關、DWX15C斷路器、3WN6斷路器5臺開關。操作箱門上安裝了RCS9626電動機保護測控裝置,KWS型開關狀態智能操控儀。箱體內安裝了交流、直流空氣開關,導線、導軌、端子排、線槽盒,箱體兩側各有一個插件,用于和小車相連。實現了1個操作箱控制2臺高壓開關,節省了空間,擴大了實訓范圍。(如圖)

b)電氣設備檢修中,一次開關設備和二次控制保護裝置由獨立的檢修專業進行維護。維修人員熟悉本專業設備,對相關專業的設備知之甚少;而且目前模塊化生產的保護裝置和開關設備功能越來越強大,在圖紙上涉及到的保護邏輯和設備內部接線多用框圖表達。比如南瑞RCS9600CN系列測控裝置,保護判別、動作邏輯均由軟件實現,即便跳合閘監視繼電器體現在圖紙上也只是裝置上兩個端子排;又如施耐德HVX中壓真空斷路器系列有兩個跳閘脫扣器、一個過流脫扣器、一個欠壓脫扣器,本身有防跳、閉鎖功能,這些在圖紙上只能看到插件的編號。上述問題,導致維護人員無法快速準確地處理缺陷。所以研制綜合型操作臺:將斷路器、綜保、控制集合在一個操作臺面上,能夠全面熟悉6kV電動機控制、保護、開關設備性能,精確掌握每個設備在動作過程中的配合情況,提高應急情況下分析處理解決問題能力。

c)對HVX斷路器控制回路檢查方式的改進。(附圖一)
以跳位監視為例,使用框圖圖紙,從BHJ419→1D47→X01:12→X01:14→1D31→102,只能看到電纜的聯系。通過本操作臺,繪制無框圖圖紙,從BHJ402→發光二極管→TWJ線圈→BHJ419→1D47→X01:12→S12輔助接點常閉→S11輔助接點常閉→F2合閘線圈→S2輔助接點常開→X01:14→1D31→102,涵蓋了BHJ及HVX內部所有細節。


d)對VCF組合電器控制回路檢查方式的改進。(附圖二)
以防跳躍為例,使用框圖圖紙,只能看到被短接的插件端子4和12。通過本操作臺,繪制無框圖圖紙,發合閘令時,正電→CZ:4→S3輔助接點常閉→K3防跳常閉→S7熔斷器常閉→K2合閘線圈→CZ:14→負電,使接觸器合閘。如果合閘令長發,K2通過自身常開接點保持勵磁不返回,開關一次合閘成功后S3常開接點閉合,K3防跳繼電器勵磁,其串于K2線圈回路的常閉接點打開,K2失磁返回;正電→CZ:12→K3常開→K3線圈→CZ:14→負電,K3勵磁保持到本次合閘令消失。使用本操作臺,VCF組合電器動作過程清晰準確地表達出來。圖二:VCF組合電器控制回路對比圖


3.3.2 低壓交直流典型回路實訓區
3.3.2.1 具備設施:
有變頻器單元、電動機變\工頻控制回路、雙電源切換及PLC控制回路、交流電動機控制回路、直流電動機控制回路、雙電源自動切換回路、主變冷卻器風扇控制回路、電度表計量回路、電動裝置控制回路、事故照明切換回路、中央事故報警信號回路等11種典型低壓電氣回路。

3.3.2.2 具備功能:
設置了電廠11種典型低壓電氣回路,這里的每個回路既相對獨立,又相互關聯,涵蓋繼電、廠用、電機、變電、儀表、電源6個班組低壓控制的關鍵技術,具有安全措施布置、現場回路校驗、電動裝置調整、故障查找判斷和多專業聯合演練等實訓功能。
3.3.2.3 創新點:
a) 低壓交直流典型回路實訓屏將各種低壓電氣的控制、保護、計量、監視集合在一個實訓屏上,從電工培訓基礎開始,由認識電氣元件、了解性能、掌握設備選配、懂得設備安裝、提高動手能力、提升故障分析的判斷能力、普及新技術的應用等方面入手,是一種接近現場實際,操作性強、靈活性高的操作平臺。
b) 低壓交直流典型回路實訓屏,采用敞開式布置,由一個電源箱、一個控制箱以及14個網孔板組成。敞開式布局的優點是直觀、一目了然,屏上的所有設備盡收眼底。對于新手學習來說,是對低壓電氣設備的初步認識,對于提高技能的再學習人員來說,是對所學知識的一次歸納總結。視角的不同,產生的效果相同,這種方式可以增加學員的求知學習興趣,克服了配電屏不直觀,操作性能差的不足。
c) 網孔板組成了實訓屏的全部電氣設備及回路安裝,吸收了實訓臺靈活的優點,又可以將多個回路組合在一起,形成一個小型的電氣系統,貼近現場實際接線的方式,能達到更廣泛的培訓內容。
d) 低壓交直流典型回路實訓屏還具有可拓展性,這些網格板方便拆卸,可隨時根據培訓和攻關的需求對回路進行設計調整。
3.3.3 電機檢修實訓區
3.3.3.1 具備設施:
有JS137-4、6kV、260kw電動機定子,Y112M-4、380V交流電動機,Z2-12TH、1.1kw、220V直流電動機,300MW發電機模型,三相繞線式異步電動機模型,直流伺服電動機模型,三相同步電動機模型,三相同步電動機模型 ,X165MM三相步進電動機模型等設備。

3.3.3.2 具備功能:
放置了不同種類電動機實物與模型,可進行拆解維修、線圈重繞、故障診斷等項目的實訓操作。
3.3.3.3 創新點:
按照300MW發電機的實物以1:10比例制成的模型,能夠拆解組裝,與實物基本一致,可直觀的了解發電機的內外部結構原理和檢修工藝要求。解決了發電機由于4年大修一次,進行發電機檢修培訓這一個難題。
3.3.4 高壓試驗實訓區
3.3.4.1 具備設施:
有110KV、LGW-110干式電流互感器,SCR-30/6.3、300KVA干式變壓器,JS137-4、6kV、260kw電動機定子等資產報廢高壓設備以及直流高壓發生器,變壓器直流電阻測試儀,變比電橋等試驗儀器儀表。

3.3.4.2 具備功能:
放置了高電壓試驗儀器以及高壓電動機、變壓器、互感器等電氣一次設備,可進行交、直流耐壓試驗、變壓器和互感器變比、極性、介損等16項電氣設備預防性試驗。
3.3.4.3 創新點:
由于高壓試驗的電壓等級比較高,每次試驗對電氣設備絕緣損傷比較大,不允許對在用設備進行試驗演練。利用資產報廢高壓設備,就可以完全模擬現場情況進行實際操作了,既規避了現場試驗的安全風險,又增強了試驗的可靠性。
3.3.5 基本技能實訓區
3.3.5.1 具備設施:
有電工實訓臺,配線實訓板,典型電氣回路接線圖,常用電工工具儀表,各種電工元器件等。

3.3.5.2 具備功能:
可進行電工識圖、工具儀表使用、元器件選型、布局接線等基本功訓練,滿足新員工崗前培訓、老員工職業技能鑒定和技能大賽的培訓需求。
3.3.6 理論培訓區
3.3.6.1 具備設施:
投影儀和屏幕,7個桌子,19把椅子等設備。
3.3.6.2 具備功能:
可進行理論培訓和多媒體演示功能。
四、參照現場管理使用
工作室是一個微縮的電氣系統,動力和操作電源都取自生產現場,存在著諸多與現場一樣的安全風險。既要達到實訓效果,又要確保人身和設備安全,如何管理使用尤為重要。主要采取了以下措施:
4.1 完善制度落實責任
他們把工作室作為一個特殊生產現場來對待,明確武海玉分管工作室,選有經驗的于忠洋師傅進行日常管理,劃分了巡檢和維護責任,強調在用安全操作規程、現場生產安全管理制度適用于工作室,同時增加了《技能提升室練兵管理制度》和《武海玉勞模創新工作室創新攻關管理制度》,為工作室的管理提供組織上、制度上的保障。
4.2 練兵和公關活動執行“兩票三制”
他們把工作室設備按照現場運行設備對待,明確了工作室的工作票簽發人、工作許可人和操作人,員工進行實訓一律開具練兵工作票,布置安全措施,開工前進行安全技術措施交底,把安全措施布置和說風險作為實訓的第一項內容。
4.3 按生產任務安排實訓
工作室全天候向員工開放,除員工需求的“自選動作”外,他們根據實際需要,每個班組每月至少安排一到兩次“規定動作”,由專工負責命題,主要以故障查找排除為主,進行單一班組和多班組實訓演練,由分管副主任按照生產任務安排實訓并評價效果,員工實訓與現場工作同等待遇,有工時有獎金。
五、投用后效果
5.1 讓備品備件備而能用
原來的備品備件,尤其是應急備品放在庫里,大多時間是備而不用,雖然定期檢查,但由于檢查人員的責任心和保存環境等因素,使用時未必完好。他們把以300MW發電機組為主的323個備品備件安裝在工作室,使備品備件狀態受控,平時還可以用來實訓,需要時隨時替換現場故障部件。
5.2 滿足不同層面員工提升需求
他們把每個區域、每個回路、每臺設備的實訓內容都分成初、中、高三個層級,確定了16名老師傅和骨干作為指導教師。初級實訓內容主要是設備元件的結構、原理和接線,適用于新入廠、轉崗和跨班組的培訓;中級實訓內容主要是設備、元件和回路標準項目的檢修和試驗,適用于日常檢修人員;高級實訓內容是故障的判斷、查找和處理,適用于檢修骨干。通過不同層面的培訓,全體員工的技術水平都有了顯著提升。2013年在電力集團技術比賽中,高立軍獲得了電機檢修專業第一名,丁加偉得了電機檢修專業第二名,陳吉獲得了電工專業第二名;2014年8月份青工張旭在大慶油田舉行“技冠群雄”青工技能PK賽,獲得了維修電工專業冠軍。
5.3 可以進行修前練習和故障模擬再現
300MW發電機組的新設備、新回路員工還不熟悉,出現問題還不敢亂動,工作室為員工提供了部分問題的修前練習條件。300MW發電機四號機高加出口電動門故障報警,開門不好使。智能型電動門大家不熟悉,張偉平、趙東輝回到工作室拆開電動裝置,研究明白了,到現場不到20分鐘就解決了問題。由于300MW發電機組6千伏F-C開關的保險封在開關本體里面,運行和檢修人員都沒見過,瞿春竹帶著變電班人員在工作室的該開關上進行練習,熟練掌握了更換方法。繼電班新購進一臺測試微機保護性能的繼電保護測試儀,驗收和學習使用方法時直接到工作室的控保系統上實測;耐壓等具有損傷性的高壓試驗可以在工作室的報廢留用設備上反復練習。現場的接觸器、繼電器、開關等元件及回路發生問題,只有參與的少數人清楚,為能共享故障現象和處理方法,他們把典型的故障元件安裝到工作室的相應回路上真實模擬。
5.4 有組織、有計劃地開展技術攻關活動
他們把工作室作為技術創新攻關的平臺,利用能夠模擬設備故障狀態,進行技術攻關活動。2010年年確立分廠攻關項目21項,完成17項;2011年確立分廠攻關項目19項,完成15項;2012年確立分廠攻關項目24項完成21項;2013年確立分廠攻關項目32項完成27項。2014年確立分廠攻關項目28項完成21項。
幾年來,工作室共承接分廠級以上攻關項目164項,其中7項成果獲全國優秀質量科技成果獎,6項成果獲國家專利。
六、效益分析
6.1 直接經濟效益
武海玉勞模創新工作室建設費用和備品備件費用為48.2萬元,每年活動經費10萬元,4年共計投入88.2萬元。直接經濟效益的產生主要是對技術創新成果所產生的經濟效益進行累加。例如:榮獲全國優秀質量科技成果《高壓電動機定子繞組加固技術改進》解決了高壓大型電動機由于長周期的運行,電動機的定子線圈絕緣老化燒損問題,和東北地區同類型電廠相比較,累計為油田熱電廠節約燒損維修費用達1000萬元。下面把經濟效益顯著的技術成果進行統計。
表一:技術創新成果經濟效益統計

6.2 社會效益
6.2.1 有些技術成果沒有產生可觀的直接經濟效益,但是它能有效的解決生產難題,保證安全生產,降低勞動強度,提高生效率,它所帶來的社會效益是巨大的。
6.2.2 武海玉勞模創新工作室投入使用以來,先后承辦大慶油田公司工會、電力集團、油田熱電廠等部門安排的培訓和參觀學習交流的任務,在2014年,工作室共進行了技能實訓42場次、理論培訓35場次,業務技能培訓員工380人次,各級單位先后參觀學習32場次610多人次, 參觀場次累計990多人次,得到廣泛的認可。
七、下一步打算
7.1 硬件方面
武海玉勞模創新工作室現在缺少220kv系統的培訓練兵內容,由于2015年油田熱電廠要對220kv開關進行改造升級,屆時將協調資產管理部門對改造拆下的220kv開關進行修復,安裝在工作室室外,完善電氣系統培訓體系。
7.2 軟件方面
武海玉勞模創新工作室將積極發揮自身優勢,采取請進來走出去,努力提高解決問題的能力,提升自身知名度,爭取把工作室打造成電力集團乃至全油田電氣設備問題診斷處理中心.
? 如果本文對您有幫助,請分享給您的朋友!
【提示】:
1.更多好資料,盡在 m.rwfx168.com “找資料”欄目。
2.國內設備和現場管理相對專業、高質的互動交流Q群,群名:中國設備管理 Q群號: 283752911


